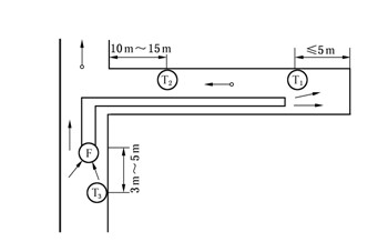
6.4.1 煤巷、半煤岩巷和有瓦斯涌出岩巷的掘进工作面甲烷传感器必须按图4设置,并实现瓦斯风电闭锁。在工作面混合风流处设置甲烷传感器T1,在工作面回风流中设置甲烷传感器T2;采用串联通风的掘进工作面,必须在被串工作面局部通风机前设置掘进工作面进风流甲烷传感器T3。

图4 掘进工作面甲烷传感器的设置
6.4.2 高瓦斯和煤与瓦斯突出矿井双巷掘进甲烷传感器必须按图5设置。甲烷传感器T1和T2的设置同图4;在工作面混合回风流处设置甲烷传感器T3。

图5 双巷掘进工作面甲烷传感器的设置
6.4.3 高瓦斯和煤与瓦斯突出矿井的掘进工作面长度大于1000m时,必须在掘进巷道中部增设甲烷传感器。
6.4.4 掘进机必须设置机载式甲烷断电仪或便携式甲烷检测报警仪。
6.5 采区回风巷、一翼回风巷、总回风巷测风站应设置甲烷传感器。
6.6 设在回风流中的机电硐室进风侧必须设置甲烷传感器,如图6所示。
6.7 使用架线电机车的主要运输巷道内,装煤点处必须设置甲烷传感器,如图7所示。
![]() |
![]() |
| 图6 在回风流中的机电硐室甲烷传感器的设置 | 图7 装煤点甲烷传感器的设置 |
6.8 高瓦斯矿井进风的主要运输巷道使用架线电机车时,在瓦斯涌出巷道的下风流中必须设置甲烷传感器,如图8所示。

图8 瓦斯涌出巷道的下风流中甲烷传感器的设置
6.9 矿用防爆特殊型蓄电池电机车必须设置车载式甲烷断电仪或便携式甲烷检测报警仪;矿用防爆型柴油机车必须设置便携式甲烷检测报警仪。