随着近年中国成为世界最大的建筑市场,尤其是智能大楼和智能小区的大规模建设,使安防系统大步地走入公众的生活之中,得到快速发展。“构建社会主义和谐社会”和“全面建设小康社会”都离不开安全,安全永远都是社会中最重要的需求之一,确保安全经成为公众当前最为关注热点。从建筑物的传统用途来看,智能建筑大致可分为:中高档写字楼、政府及企事业...
智能建筑在实现以人为本的前提下,通过对建筑物智能功能的配备,强调高效率、低能耗、低污染,达到节约能源、保护环境和可持续发展的目标正跨入到“绿色建筑”的新境界。智能建筑的重点也已转向建筑物本身的自动化、网络化发展及与公共网络的连接。在我国,原先普遍认为智能建筑的重点是使用先进的技术对楼宇进行控制、通信和管理,强调实现楼宇这三个...
智能建筑系统集成实施的子系统包括综合布线、楼宇自控、电话交换机、机房工程、监控系统及防盗报警及公共广播、有线电视、门禁系统、楼宇对讲、一卡通、停车管理、消防系统及多媒体显示系统、远程会议系统。对于功能近似统一管理的多幢住宅楼的智能建筑系统集成。需要高度智能...
随着信息时代发展的需要,智能建筑在提供高效办公、信患快捷交互、节约能耗、降低运营费用等方面愈来愈显示出其潜在能力。为了充分发挥智能建筑的投资效益,满足其使用的功能特点与管理需求,对智能建筑进行系统集成是很有必要的。智能建筑系统集成最主要的是体现其先进与实用...
智能建筑中各智能化系统应根据使用功能、管理要求和建设投资等划分为甲乙丙三级(住宅除外),且各级均有可扩性、开放性和灵活性;智能建筑的等级按有关评定标准确定。智能建筑设计,必须遵循国家有关方针,做到技术的先进和经济合理实用可靠;智能建筑工程设计,除应执行本标准...
智能建筑中的安防和消防以及楼控有融合的趋势。未来的安防就是依托网络这将使安防系统与通信网络系统关系更加紧密,消防也因可用摄像机直接探测火灾而将与安防相结合,安防在人们未来的生活中将起到重要作用,有可能成为智能建筑的领头羊。甚至可以提出“安防将统帅智能建筑”这样的口号,虽然有点超前,但很有希望。但安防设备要以适用有效为原则,不必一味追求高档和豪华,要力求既全面又简洁,重要的是要树立安全第一的理念,并通过人防、物防、技防三防结合的方式来予以保证。安全防范的重点应该是...
2013年12月10日,第十四届中国国际建筑智能化峰会广州站在广州中国大酒店隆重举行,狄耐克以白金赞助商的身份出席本次高峰论坛,为智慧城市的建设添砖加瓦。本届峰会主题为“从智能建筑到智慧城市”,...
2013年11月8日全球领先的电力和自动化技术集团ABB日前在“2013中国国际社会公共安全博览会”上展出了明悦系列楼宇对讲、G系列楼宇对讲、i-bus®智能建筑控制系统和开关插座等智能家居产品和解决方...
2013年10月18日,在武汉纽宾凯鲁广国际酒店召开了"湖北智能建筑新技术新产品研讨会",达实信息应邀参加了此次盛会。本次会议由《智能建筑》杂志社组织主办,得到了业内人士的广泛关注,有来...
北京中电兴发科技有限公司作为全国智能建筑行业60强企业、智能建筑分会的会员及钻石合作伙伴单位,应邀出席。本次展会中电兴发以“城市管理与国土安全物联网”为主题,展示了其自主研发的FIAMM(非凡&r...
视频安防监控系统应能根据建筑物的使用功能及安全防范管理的要求,对必须进行视频安防监控的场所及部位、通道等进行实时、有效的视频探测,视频监视,图像显示、记录与回放,宜具有视频入侵报警功能。与入侵报警...
出入口控制系统应能根据建筑物的使用功能和安全防范管理的要求,对需要控制的各类出入口,按各种不同的通行对象及其准入级别对其进、出实施实时控制与管理,并应具有报警功能。出入口控制系统的设计应符合《出入...
入侵报警系统应能根据被防护对象的使用功能及安全防范管理的要求,对设防区域的非法入侵、盗窃、破坏和抢劫等,进行实时有效的探测与报警,高风险防护对象的入侵报警系统应有报警复核(声音)功能。系统不得有漏报...
电子巡查系统应能根据建筑物的使用功能和安全防范管理的要求,按照预先编制的保安人员巡查程序,通过信息识读器或其他方式对保安人员巡逻的工作状态(是否准时、是否遵守顺序等)进行监督、记录,并能对意外情况及...
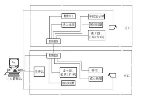
停车场管理系统应能根据建筑物的使用功能和安全防范管理的需要,对停车库(场)的车辆通行道口实施出入控制、监视、行车信号指示、停车管理及车辆防盗报警等综合管理。对于建筑而言,停车场应实现有效方便的监控与...
物联网是多种通信手段融合的一种新兴网络,已对传统互联网进行了延伸和扩展。物联网中的物体可以通过嵌入其中的智能感应装置及射频识别(RFID)装置、红外感应器、全球定位系统(GPS)等信息传感设备,按约定的协议...
智能建筑是和人们的生活息息相关的,智能建筑智能化程度的提高,会极大成都的改善人们的生活品质,所以建筑智能化是一个蓬勃发展的行业。智能建筑中的安防自动化系统,这几年的发展可以用天翻地覆这个词来形容,每年的安防展,我们都会看到非常多的新产品,国产品牌所占的份额越来越大,而由于国外大公司不如国内厂商的反应速度快,所占的份额呈逐步下降的态势。不可否认,我们的产品品质和国外著名品牌还有很大的差距,提升产品品质,是国内企业要向国外看齐的。另外,国内安防产业的发展时间并不长,积淀不够,所以我们的软实力和国外厂家差距相当大。比如国外已经非常成熟的...
随着现代科学技术的快速发展,闭路电视监控系统已经成为智能大厦必不可缺少的一部分。首先,闭路电视监控系统为智能大厦创造一个高度安全的环境;其次,可以大大降低管理的费用;闭路电视监控系统是管理人的系统...
为满足住宅小区的安全和科学系统化管理的需要,以及为了对随时发生的情况进行全面、及时的了解和掌握,对意外情况能迅速做出正确判断并给出正确、快速的指挥和处理。小区决定在小区内部安装数字监控系统,达到维...
医院大楼内根据功能不同分为公共区、手术区、病房区及洁净区等,不同区域的空气流向应分开,以防止交叉感染因此应对空调、通风系统分区域设计;楼宇自控系统也应分区控制以满足医患对楼内温度、湿度、通风等环境...
体育场馆的安保体系是集功能强大的人防和技防为一体的混合体系。而随着现代视频监控的高清化和智能化的兴起视频监控系统已经成为体育场安全防范体系的重要组成部分之一,设计一套安全、可靠、实用、可扩展、技术...
现在各地市的大学都普遍存在着校园面积大、场地分散以及学生众多,校园周边的环境复杂等特点,随着近年来校园暴力事件和突发事故的快速增加,传统的人力巡查已不能满足校园安全管理的需求,越来越多的学校开始考...
博物馆对人类文化遗存及自然遗存管理起到非常大的作用,它凝结着一个地方的过去和现在,参观者不仅可以从这里了解历史、补习文化,而且可以享受优雅的氛围、放松紧绷的心弦。博物馆是靠文物的陈列、展出、宣传、...